yabo鸭脖电源管理芯片TX4221设计的DC-DC升压恒压芯片DEMO说明

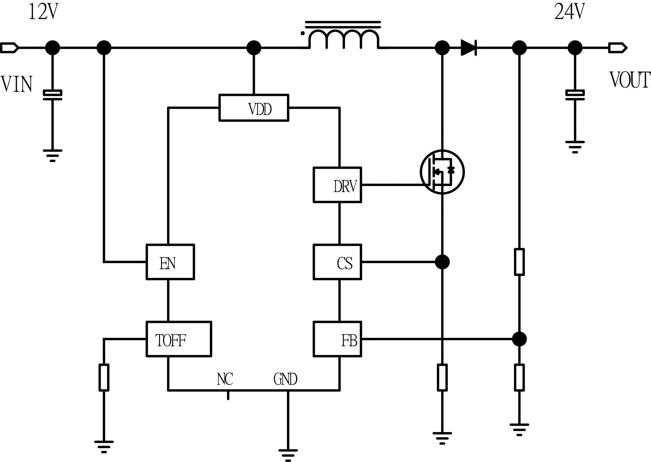
电源管理芯片TX4221原理图

电源管理芯片TX4221电路板

DC-DC芯片TX4221数据测量

TX4221 DEMO 板实测数据 和 转换效率 参考
本 DEMO 为 DC-DC芯片TX4221 制作的演示板,电源管理芯片TX4221用于 DC 输入 12-22V,输出电压24V, 输出电流 2.5A 的应用演示,最高转换效率高达 98%。 本电路固定工作频率是:115.7 KHz。输出 24V/2.5A ,输出电压可调。