TX4314 是一款低噪声开关电容倍压器
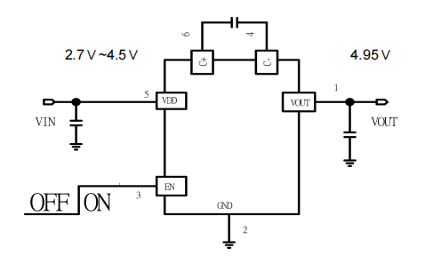
TX4314 从 2.7V 至 4.5V 输入产生稳定的输出电压。
外部元件数量较少( VIN 和 VOUT 只有一个快速电容和两个小旁路电容)使得芯片非常适用于电池供电的小型应用。
芯片具有热关断功能, 可以承受从VOUT 到 GND 的连续短路。
低电流关断功能可将负载从 VIN 断开,并将静态电流降至 <1μA。芯片采用 SOT23-6 封装。

输入电压:3-4.5V
输出电压:5V
输出电流:200mA
工作频率:400KHz
转换效率:81%
芯片封装:SOT23-6
消费类电子产品
白色LED灯
锂电池后备电源
智能阅读器
TX4314 DEMO板 应用原理图:

TX4314 DEMO板 PCB图:
