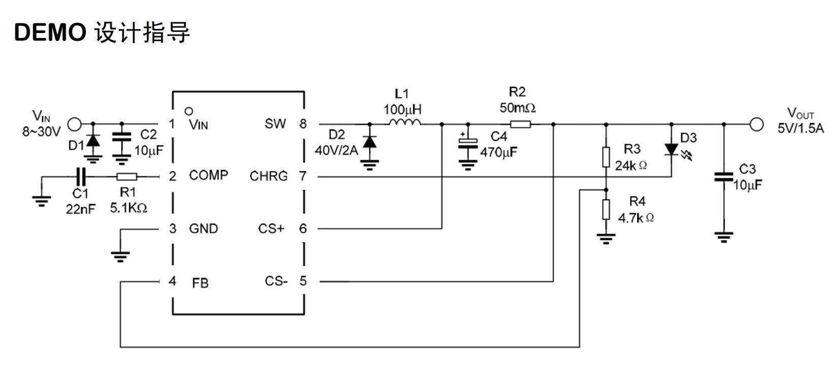
TX4151是一款微型SOP-8封装、高效率、可调限流的40V 1.5A降压型DC-DC转换芯片。
芯片内部包括误差放大器、振荡器、电流比较器、斜坡补偿、电流采样、逻辑驱动等模块,
电流误差放大器的内部集成,使得该芯片可以实现恒压恒流控制。
TX4151峰值电流模式的PWM控制环路以及补偿网络的外部可调,使该芯片可在宽负载范围内提供稳定的输出电压。
电流采样端的引出,通过设定采样电阻值,可以简单、精确地实现限流值的外部调节。
TX4151导通电阻100mΩ的PMOS开关管的内部集成,提供了高的转换效率;内部3A的限流值以及短路 保护、过温保护。
避免了芯片在超负荷负载或者温度过热时受到损坏。
120KHz的高频率以及微型SOP-8封装,最大限度的减小了整 体解决方案的占板面积。
主要特点:
限流可调,最高可达1.5A的输出电流能力
效率高达90%
+8V~+40V的输入工作电压范围
120KHz开关频率,降低EMI的抖频技术
输出短路保护功能
输出电压导线电阻损耗补偿
过温保护
纤小型 SOP-8 封装
输入电压:+8V~+40V
输出电压:0.8~6.5V
输出电流:1.5A
静态电流:60uA
开关频率:120KHz
内置MOS:内置
封装形式:SOP-8
汽车应用领域
镍锰、镍铬电池充电
可调限流的降压型DC-DC
可调电流源


